Andreas K. Geschrieben 23. März 2020 Geschrieben 23. März 2020 (bearbeitet) Ein jeder Topf braucht einen Ständer... In den letzten Jahren hatte ich viele Topfstand- / Windschutzkombinationen ausprobiert, doch nie hatte mich eine der Möglichkeiten vollends überzeugt: Drahtgestelle waren zwar leicht, aber wackelig. Der zugehörige Windschutz war flattrig. Konen gewährten da schon einen deutlich stabileren Stand, waren aber natürlich auch schwerer. Wirklich störend aber war das Packmaß: Zusammengerollt zu lang, um es in der Tasse zu transportieren. Da die dünnen Folien aber wirklich empfindlich bzgl. Deformation waren, brauchten die Konen zwingend eine stabile Transporthülle, was erhebliches Mehrgewicht bedeutete. Meine faltbaren Topfstand- / Windschutzkombinationen aus drei zusammen zu steckenden Seitenteilen ermöglichten einen wirklich sicheren Stand der Töpfe und waren dabei nur geringfügig schwerer als ein Konus ohne Transporthülle. Außerdem waren diese durch das relativ dicke Blech sehr robust. Aber das Packmaß war auch hier ungünstig: die Teile passten formbedingt leidlich in die Topftasse, was in den Rucksack gepackt bei Bewegung unangenehmes Klappern erzeugte. Kurzum, ich hatte Bedarf an einer neuen Konstruktion. Aus meinen Überlegungen entstand der „Feuerstuhl“. Ein einfacher im Querschnitt runder Windschutz mit zwei eingeschobenen Stäben (z.B. Häringen) als Topfstand. Zusammengerollt schmiegt dieser sich an die innere Topfwand an und ragt nicht über den Rand hinaus. Das Material, 0,2 mm gehärtete Aluminiumfolie, ermöglicht ein sehr geringes Gewicht des daraus gebauten Objektes. Es ist aber zugegebener Maßen nicht für die Ewigkeit gebaut, da das Aluminium durch die Hitzeeinwirkung im Brennraum weich wird. Aber ich habe so einen Topfstand seit immerhin knapp zwei Jahren in Betrieb, und der funktioniert noch. Den Verschluss für den Windschutz habe ich mir bei den Chinesen abgeschaut – ja, kopieren geht auch andersherum . Aber wie ich erst kürzlich gelernt habe, ist in der chinesischen Kultur das Nachahmen und ggf. Verbessern eines bestehenden Produktes Ausdruck größter Bewunderung und Wertschätzung an einer Erfindung. Es ist also eine Ehrerbietung gegenüber dem ursprünglichen Erschaffer des kopierten Objektes. Aber nun zu den Details: Im Betriebszustand hat der Windschutz die Maße von 110 mm Durchmesser bei einer Höhe von 86,5 mm. Das Packmaß ist limitiert durch die Höhe von 86,5 mm. Der Durchmesser ist durch das Zusammenrollen variabel. Zwei Stäbe quer durch den Windschutz gesteckt bilden die Topfauflage. Der Abstand vom Brenner zum Topfboden beträgt festgelegt durch die Höhe der Einschublöcher für die Topfauflage 30mm (gilt für Brenner mit einer Höhe von 28mm!). Der Abstand von der Topfauflage zum oberen Rand des Windschutzes ist so gewählt, dass der Windschutz knapp unter den Henkeln der Tasse endet. Die beidseitigen Lüftungslöcher gewähren ausreichend Sauerstoffzufuhr für den Brenner. Die Löcher enden im oberen Bereich 3 mm unter dem Brennerring. Dadurch wird Luftbewegung reduziert, die sich negativ auf das Flammbild des Brenners auswirkt. Der Abstand von der Topfwand zum Windschutz beträgt umseitig 7,5 mm. Dadurch kann die Luft im Inneren des Windschutzes ungehindert zirkulieren (Sauerstoffzufuhr/ Abluft). Als Material für den Windschutz wurde 0,2 mm gehärtete Aluminiumfolie verwendet. Das Gewicht des Windschutzes beträgt knappe 15g. Optional: Die von mir verwendeten Häringe von Terra Nova wiegen 2 Gramm pro Stück. !ACHTUNG! Der Windschutz wurde für die Verwendung mit einer Toaks 650 light Topftasse und mit Spiritusbrennern mit einer Höhe von 28 mm optimiert. Andere Modelle weichen möglicherweise erheblich von den Maßen ab (insbesondere Tassenhöhe, Sitz/ Größe Tassenhenkel, Höhe Spiritusbrenner, usw.). Der Windschutz müsste also ggf. individuell angepasst werden. Doch nun endlich zu den Bildern: Für die Bastelfreunde: Druckvorlage/ Schablone: Druckvorlage 01.pdf Druckvorlage 02.pdf Werkzeuge/ Hilfsmittel/ Materialien: Aluminiumfolie 0,2 mm, gehärtet Klebestift Sprühkleber Skalpell / Cutter Kreisschneider/ Schneidezirkel Lineal / Geodreieck Locheisen Ø 10mm Blechstreifen als Stanzunterlage (weicher als Stahl! Aluminium, Kupfer o. Ä.) Papierstreifen als Stanzunterlage Hammer Körner (alternativ Nagel) Bohrmaschine oder Handbohrer Metallbohrer Ø 3mm Holzbrett o. Ä. als Bohrunterlage Kegelsenker (ggf. Schleifvlies) Schonhammer Reinigungsbenzin Spiritus Putzlappen oder Küchenrolle Arbeitsschritte: Die zwei Teile der Schablone ausschneiden (mit Randaufmaß!) und zusammenfügen Schablone mithilfe Sprühkleber auf Aluminiumfolie kleben (Trocknungszeit beachten!) Kontur des Windschutzes mithilfe der Schneidwerkzeuge anritzen Durch vorsichtiges Kanten (Hin- und Herbiegen) des Bleches an den Ritzen den Rand abbrechen Mit dem Bohrer Löcher der Topfauflage bohren Mit dem Locheisen Löcher der Lüftungsschlitze ausstanzen (zwei Löcher je Schlitz), als Stanzunterlage Blechstreifen, darüber Papierstreifen, verwenden Grat glätten: Windschutz wenden, Blechstreifen an den Schlitzen unterlegen, entgegengesetzt zweiten Blechstreifen auflegen, Grat mit Schonhammer platt klopfen Löcher von Hand mit Kegelsenker entgraten (alternativ Schleifvlies) Mit Schneidwerkzeug und Lineal Tangenten zwischen den zwei Löchern eines Lüftungschlitzes anritzen, anschließend Steg vorsichtig herausbrechen Schablone mit Reinigungsbenzin tränken, einziehen lassen, Schablone vom Windschutz abziehen Evl. Klebereste mit Benzin entfernen Benzinreste mit Spiritus entfernen Wie bereits oben geschrieben, wurde der Windschutz für die Verwendung mit einer Toaks 650 light Topftasse und mit Spiritusbrennern mit einer Höhe von 28 mm optimiert. Andere Modelle weichen möglicherweise erheblich von den Maßen ab (insbesondere Tassenhöhe, Sitz/ Größe Tassenhenkel, Höhe Spiritusbrenner, usw.). Der Windschutz müsste also ggf. individuell angepasst werden. Eine Änderung der Windschutzhöhe ist möglich. Allerdings muss man hierbei beachten, dass die Kürzung symmetrisch erfolgen muss, sprich dass der Windschutz am oberen und unteren Rand gleichermaßen beschnitten wird. Außerdem muss man bei der Berechnung der endgültigen Höhe die Position der Topfauflage im Auge behalten, damit der richtige Abstand Brenner/ Topfauflage und Topfauflage/ Henkel des Topfes gewahrt bleibt! Der Durchmesser des Windschutzes sollte für Tassen mit Ø 90 – Ø 100 mm passend sein. Für abweichende Topfdurchmesser müsste man die Breite des Windschutzes ändern. Das ist eine relativ komplizierte Individuallösung, da sich hierbei Ausrichtung und Sitz der Lüftungsschlitze bzw. der Löcher der Topfauflage stark ändern. Viel Erfolg beim Nachbauen! Bearbeitet 23. März 2020 von Andreas K. andygogo, waldradler, Ollympus und 35 Weitere reagierten darauf 20 18 “Wer ans Ziel kommen will, kann mit der Postkutsche fahren, aber wer richtig reisen will, soll zu Fuß gehen." (Jean-Jacques Rousseau) Waldschneider auf Flickr
Stromfahrer Geschrieben 23. März 2020 Geschrieben 23. März 2020 Andreas! Wenn es Doppellikes gäbe, ach was, Tripplelikes – hier wäre einer fällig. Deine Dosen waren ja schon super ordentlich, aber dieser Windschutz, besonders die „Schwalbenschwanzverbindung” und die ganze Anleitung – saug**l! Und Du weißt, dass ich noch nie Sternchenwörter geschrieben habe. Mittagsfrost und Andreas K. reagierten darauf 1 1 Wo steckt Stromfahrer? Viel•leicht draußen!
Andreas K. Geschrieben 24. März 2020 Autor Geschrieben 24. März 2020 @Stromfahrer demnächst probiere ich doch mal deine Idee aus eine passende Spiritusflasche für den Topf zu drucken. Also mit Aussparung für den Dosenkocher am Boden. Vielleicht klappt das ja doch. Wäre genial bieber1 und leomax96 reagierten darauf 2 “Wer ans Ziel kommen will, kann mit der Postkutsche fahren, aber wer richtig reisen will, soll zu Fuß gehen." (Jean-Jacques Rousseau) Waldschneider auf Flickr
wilbo Geschrieben 24. März 2020 Geschrieben 24. März 2020 Moin! Vielen Dank für Dein Schnittmuster vom Windschutz. Ich werde das für meinen fire-pit aus Edelstahlblech nutzen. LG. -wilbo- Andreas K. reagierte darauf 1 - Signatur von mir gelöscht -
Konradsky Geschrieben 24. März 2020 Geschrieben 24. März 2020 Wieder einmal sehr schön gemacht und dokumentiert. Werde es in Edelstahl auch einmal nachbauen. gruss Konrad Andreas K. reagierte darauf 1
Ranger Geschrieben 24. März 2020 Geschrieben 24. März 2020 Kannst du eine Bezugsquelle von deinem Alu nennen ? Bei den üblichen verdächtigen steht nichts von gehärtet
Andreas K. Geschrieben 24. März 2020 Autor Geschrieben 24. März 2020 vor 7 Minuten schrieb Ranger: Kannst du eine Bezugsquelle von deinem Alu nennen ? Bei den üblichen verdächtigen steht nichts von gehärtet Modulor.de https://www.modulor.de/aluminium-band.html Ranger, J_P und yellowmug reagierten darauf 2 1 “Wer ans Ziel kommen will, kann mit der Postkutsche fahren, aber wer richtig reisen will, soll zu Fuß gehen." (Jean-Jacques Rousseau) Waldschneider auf Flickr
Andreas K. Geschrieben 24. März 2020 Autor Geschrieben 24. März 2020 vor 30 Minuten schrieb Konradsky: Werde es in Edelstahl auch einmal nachbauen. Da bin ich auch dran. Allerdings werde ich mir das in kleiner Stückzahl lasern lassen. Selbstbau aus Edelstahl ist mir zu nervig. Bin nur am überlegen ob ich 0,05er oder 0,07er Folie nehme. “Wer ans Ziel kommen will, kann mit der Postkutsche fahren, aber wer richtig reisen will, soll zu Fuß gehen." (Jean-Jacques Rousseau) Waldschneider auf Flickr
Konradsky Geschrieben 24. März 2020 Geschrieben 24. März 2020 Ich habe das 0,05er als Federbandstahl. Das nächste Mal würde ich eher das 0,07er nehmen. Gruss Konrad Andreas K. reagierte darauf 1
Andreas K. Geschrieben 24. März 2020 Autor Geschrieben 24. März 2020 (bearbeitet) vor 2 Minuten schrieb Konradsky: Ich habe das 0,05er als Federbandstahl. Das nächste Mal würde ich eher das 0,07er nehmen. Gruss Konrad super, danke! Das Material wäre mir klar: ich nehme für sowas immer 1.4310 Federbandstahl von H+S Folien Bearbeitet 24. März 2020 von Andreas K. “Wer ans Ziel kommen will, kann mit der Postkutsche fahren, aber wer richtig reisen will, soll zu Fuß gehen." (Jean-Jacques Rousseau) Waldschneider auf Flickr
Konradsky Geschrieben 24. März 2020 Geschrieben 24. März 2020 Ich hatte meinen in 0,05 auch von denen. Leider ist dein hartes Alu in dem Link nicht vorrätig. Gruss Konrad
Andreas K. Geschrieben 24. März 2020 Autor Geschrieben 24. März 2020 vor 8 Minuten schrieb Konradsky: Leider ist dein hartes Alu in dem Link nicht vorrätig. kommt bestimmt wieder nach “Wer ans Ziel kommen will, kann mit der Postkutsche fahren, aber wer richtig reisen will, soll zu Fuß gehen." (Jean-Jacques Rousseau) Waldschneider auf Flickr
waldradler Geschrieben 24. März 2020 Geschrieben 24. März 2020 Danke für die Anleitung, wird bald nachgebaut! Mir ist gerade hier auf Tour der Drahtständer gebrochen. Jetzt heißt es improvisieren...
Konradsky Geschrieben 24. März 2020 Geschrieben 24. März 2020 vor 53 Minuten schrieb waldradler: Mir ist gerade hier auf Tour der Drahtständer gebrochen. Jetzt heißt es improvisieren... Drei Heringe in den Boden als Potstand. Oder drei grüne Zweige statt der Heringe. Mach und berichte!! Gruss Konrad
d4r0 Geschrieben 24. März 2020 Geschrieben 24. März 2020 Danke für die schöne Beschreibung! Ich hab 0,05er Material von H+S hier und wollte mir je einen Cone für den 900ml Evernew und Trangia-Topf bauen. Jetzt sehe ich deinen "Feuerstuhl" und würde für für den TiTopf umschwenken Hast du 3D- oder 2D-CAD-Daten, die ich für meine Topfgemoetrie übernehmen kann? Grüßla
Andreas K. Geschrieben 24. März 2020 Autor Geschrieben 24. März 2020 (bearbeitet) Ich habe lediglich die Grundform, also einen einfachen Zylinder als 3D Zeichnung. Ansonsten die fertige Abwicklung mit Verbindungselementen Löchern und Schlitzen. Ich weiß nicht ob Dir das was bringt, weil sich mit dem Umfang Lage der Löcher und Schlitze maßgeblich ändern. Da ist es fast einfacher Du fertigst selbst ein Modell an. Bearbeitet 24. März 2020 von Andreas K. “Wer ans Ziel kommen will, kann mit der Postkutsche fahren, aber wer richtig reisen will, soll zu Fuß gehen." (Jean-Jacques Rousseau) Waldschneider auf Flickr
d4r0 Geschrieben 24. März 2020 Geschrieben 24. März 2020 vor 48 Minuten schrieb Andreas K.: Ich habe lediglich die Grundform, also einen einfachen Zylinder als 3D Zeichnung. Ansonsten die fertige Abwicklung mit Verbindungselementen Löchern und Schlitzen. Ich weiß nicht ob Dir das was bringt, weil sich mit dem Umfang Lage der Löcher und Schlitze maßgeblich ändern. Da ist es fast einfacher Du fertigst selbst ein Modell an. Alles klar, ich bau´s mir auf, danke dir. Gruß aus Ofr.
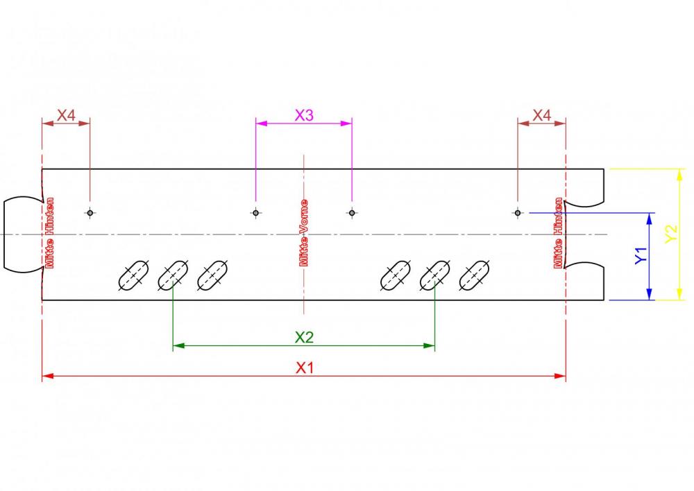
Andreas K. Geschrieben 24. März 2020 Autor Geschrieben 24. März 2020 (bearbeitet) Für @d4r0 und alle anderen hier ein veränderliches 2D Modell für AutoCad sowie Berechnungsgrundlage für die Abänderung der Windschutzmaße: X1 = U X2 = U / 2 X3 = r ⁎ π ⁎ α / 180; → α = sin-1 (s / 2 ⁎ r) X4 = X3 / 2 Y1 = h1 + h2 – (D / 2) Y2 = h1 + h2 + h3 U = Umfang Windschutz r = Radius Windschutz s = Sehne (Abstand Topfauflagen) h1 = Höhe Brenner h2 = Abstand Brenner zu Topf h3 = Abstand Topfboden zu Henkeln D = Durchmesser Bohrloch Topfauflage 2D Modell.dwg Bearbeitet 25. März 2020 von Andreas K. yoggoyo, Dieter_Z., yellowmug und 6 Weitere reagierten darauf 6 3 “Wer ans Ziel kommen will, kann mit der Postkutsche fahren, aber wer richtig reisen will, soll zu Fuß gehen." (Jean-Jacques Rousseau) Waldschneider auf Flickr
d4r0 Geschrieben 24. März 2020 Geschrieben 24. März 2020 vor 1 Minute schrieb Andreas K.: Für @d4r0 und alle anderen hier ein veränderliches 2D Modell für AutoCad sowie Berechnungsgrundlage für die Abänderung der Windschutzmaße: X1 = U X2 = U / 2 X3 = r1 ⁎ π ⁎ α / 180; → α = sin-1 (s / 2 ⁎ r) X4 = X3 / 2 Y1 = h1 + h2 – (D / 2) Y2 = h1 + h2 + h3 U = Umfang Windschutz; r = Radius Windschutz; h1 = Höhe Brenner; h2 = Abstand Brenner zu Topf; h3 = Abstand Topfboden zu Henkeln; D = Durchmesser Bohrloch Topfauflage 2D Modell.dwg 9 kB · 0 downloads der Beste - ich importier´s gleich ins NX
Andreas K. Geschrieben 24. März 2020 Autor Geschrieben 24. März 2020 muss an der Zeichnung schnell noch was ändern. Das Modell bleibt gleich “Wer ans Ziel kommen will, kann mit der Postkutsche fahren, aber wer richtig reisen will, soll zu Fuß gehen." (Jean-Jacques Rousseau) Waldschneider auf Flickr
Capere Geschrieben 24. März 2020 Geschrieben 24. März 2020 (bearbeitet) Am 23.3.2020 um 20:12 schrieb Andreas K.: Nice, ich habe ein Ähnliches Setup, nur deutlich kleiner für mein Esbit-Koch-Kit verwandt. Verbindung des Titan-Blechs habe ich mit einem kleinem Neodym-Magneten gelöst - mehr dazu später. (Wenn ich das Ganze noch mal was sauberer gebastelt habe haha). Bearbeitet 24. März 2020 von Capere SUL Wandern / Trekking - <4.6lb / 2.08kg: https://lighterpack.com/r/um0g9u
Andreas K. Geschrieben 24. März 2020 Autor Geschrieben 24. März 2020 vor einer Stunde schrieb Capere: Nice, ich habe ein Ähnliches Setup, nur deutlich kleiner für mein Esbit-Koch-Kit verwandt. Verbindung des Titan-Blechs habe ich mit einem kleinem Neodym-Magneten gelöst - mehr dazu später. (Wenn ich das Ganze noch mal was sauberer gebastelt habe haha). Gerne in einem eigenen Thread “Wer ans Ziel kommen will, kann mit der Postkutsche fahren, aber wer richtig reisen will, soll zu Fuß gehen." (Jean-Jacques Rousseau) Waldschneider auf Flickr
cico Geschrieben 24. März 2020 Geschrieben 24. März 2020 vor einer Stunde schrieb Capere: Verbindung des Titan-Blechs habe ich mit einem kleinem Neodym-Magneten Ich finde die Lösung, die @Andreas K. in Ehrerbietung übernommen hat, geeigneter und vermutlich auch leichter. Neodym-Magnete verlieren, je nach Klasse, ab 80-200°C (einen Teil) ihrer Haltekraft (Stichwort Temperaturbeständigkeit). Wie schaffst du es, dass Titan magnetisch ist? @Andreas K. Welche Radien hast du für die Verbindung genommen? Vielen Dank für die umfangreiche Dokumentation. OT: Das hilft mir bei meinem zukünftigen Cone-Projekt
Capere Geschrieben 24. März 2020 Geschrieben 24. März 2020 vor 25 Minuten schrieb cico: Ich finde die Lösung, die @Andreas K. in Ehrerbietung übernommen hat, geeigneter und vermutlich auch leichter. Neodym-Magnete verlieren, je nach Klasse, ab 80-200°C (einen Teil) ihrer Haltekraft (Stichwort Temperaturbeständigkeit). Wie schaffst du es, dass Titan magnetisch ist? Yes, musste ich auch feststellen - deshalb sitzt der Magnet ganz unten außen und innen habe ich ein Metall-Gegenstück am Titanblech. Näheres dazu später im eigenen Beitrag. SUL Wandern / Trekking - <4.6lb / 2.08kg: https://lighterpack.com/r/um0g9u
Andreas K. Geschrieben 24. März 2020 Autor Geschrieben 24. März 2020 vor 2 Stunden schrieb cico: Welche Radien hast du für die Verbindung genommen? 25mm sind es bei dem Topfstand. cico reagierte darauf 1 “Wer ans Ziel kommen will, kann mit der Postkutsche fahren, aber wer richtig reisen will, soll zu Fuß gehen." (Jean-Jacques Rousseau) Waldschneider auf Flickr
Empfohlene Beiträge
Erstelle ein Benutzerkonto oder melde Dich an, um zu kommentieren
Du musst ein Benutzerkonto haben, um einen Kommentar verfassen zu können
Benutzerkonto erstellen
Neues Benutzerkonto für unsere Community erstellen. Es ist einfach!
Neues Benutzerkonto erstellenAnmelden
Du hast bereits ein Benutzerkonto? Melde Dich hier an.
Jetzt anmelden